|
Der Zwischenstellenumschalter (später auch nur
Zwischenumschalter) stellt die einfachste Einrichtung
einer Nebenstellenanlage dar.
Er dient zur Aufnahme eines Haupt- und eines Nebenanschlusses. Die
Bezeichnung Z. ist in Deutschland von früher her beibehalten worden,
obwohl es hier seit 1900 betriebs- und tarifsmäßig keine Zwischen-
und Endstellen, sondern nur Haupt- und Nebenstellen gibt. Der Z.
hat seinen Platz bei der Hauptstelle,
die Nebenstelle ist mit gewöhnlichem
Fernsprecher versehen.
Haupt- und Nebenstelle können mit dem Amt
und untereinander verkehren. Es gibt am Z. 3 Schaltmöglichkeiten:
|
|
|
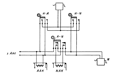
1. H-A ... Hauptstelle-Amt
2. A-N ... Amt-Nebenstelle
3. H-N ... Hauptstelle-NSt.
AAK ...... Amtsanrufklappe
NAK ...... NSt.-Anrufklappe
N ............ Nebenstelle (NSt)
|
|
Die Zwischenstellenumschalter OB
sind Umschalter, denen erst ein gewöhnlicher Fernsprechapparat hinzugefügt
werden muß, um sie für den Verkehr als Hauptstelle vollkommen zu
machen. Die ersten Einrichtungen dieser Art sind einfache Umschalter,
an denen der Wechsel der Verbindungen über Federn und Schleifkontakte
erfolgte. Die späteren Apparatsätze (s. Abb rechts; Ausführung
von Ericsson) enthalten neben der Umschalteeinrichtung auch
noch den Wecker und erforderlichenfalls
Kondensatoren.
Die Z. ZB
(wie auch SA)
sind selbständige Apparate mit eingebauter Abfrage- und Rufeinrichtung.
Sie sind in ihrem Aufbau verwickelter als die Z. OB, weil die Stromversorgung
der Mikrophone im Verkehr Hauptstelle-Nebenstelle und die Notwendigkeit
des Gleichstromanrufs von der ZB-Nebenstelle zur Hauptstelle besondere
zusätzliche Vorkehrungen bedingen.
Die grundsätzliche Schaltung eines Z. ZB/SA zeigt untenstehende
Abb.:
|
 |
|

|
|
Die Stromversorgung der Z. der DRP geschieht in der Regel über
den b-Zweig der Amtsleitung,
in Sonderfällen über Speiseleitungen, später auch über
Netzanschlußgeräte (siehe z.B.
Zwischenumschalter 104). Die Nebenstelle wird in der Regel mittels
Induktor errufen. Bei den
ersten Z. ZB der DRP fanden sich als Amtsanrufzeichen ein Wechselstromwecker,
als hörbares Zeichen für den Nebenstellenanruf der Gleichstromwecker.
Die Verbindungen mit dem Amt werden über einen Hebelumschalter
mit 2 Stellungen hergestellt. Spätere Muster (ZB 10, 13) brachten
die Anrufklappe und Verbindungstasten.
|
|
Beispiel:
Zwischenstellenumschalter
SA 25. Seinerzeit (1925) moderne Konstruktion, kleinere Bauform
und reparaturfreundliche Anordnung der Apparatteile. Dazu ein Wandbeikasten
mit Wecker, Amtsspeisebrücke und Relais.
Verbesserungen im Vergleich zu den Vorläufermodellen:
|
 |
|
1. Fortfall der sichtbaren Anrufzeichen für Amtsleitung und Nebenstelle;
die Amtsklappe wird durch ein Wechselstromrelais ersetzt, das auf
die von der Nebenstelle ausgehenden Wählstromstöße zum Amt nicht
anspricht. Der Anruf vom Amt wird von diesem Relais
im Takt des Rufstromes an den gemeinsamen Gleichstromwecker weitergegeben,
während der Anruf der Nebenstelle einen gleichmäßigen Dauerruf des
Weckers auslöst.
2. Die Nebenstelle kann bei Verbindung mit dem Amt die Hauptstelle
auch bei Dauerverbindungen während der Nacht
errufen.
3. Die Verbindung zwischen Apparat und Beikasten
geschieht mit loser Schnur über zehnteiligen Doppelstecker, wodurch
der Austausch der Schnüre wesentlich erleichtert wird.
|
|
Quelle: Handwörterbuch für das elektrische Fernmeldewesen
|